1. Startseite
  2. Westec Positionsanzeigen
  3. Glasmaßstab Glasmessleiste Westec WGM WKA-305 Auflösung 5 µm TTL
Art-Nr.236350070
MarkeWestec

Glasmaßstab Glasmessleiste Westec WGM WKA-305 Auflösung 5 µm TTL

Westec
Lieferzeit ca. 7 WerktageLieferzeit ca. 7 Werktage **

 


Allgemein


  • Der Glasmaßstab WGM WKA-305 ist ein linearer Präzisions - Messwertgeber zum Anschluss an z.B. unsere Multifunktions-Positionsanzeigen
  • Ideal für den täglichen Präszisionzeinsatz in Gewerbe und Industrie
  • Der WGM WKA-305 ist mit Messlängen von 70 mm bis 1020 mm verfügbar
  • Sehr robuste und stabile Konstruktion auch für größere Messlängen
  • Die Messraum und die Optik sind mit Lippendichtungen zuverlässig gegen Staub, Schmutz, Kühlflüssigkeit etc. geschützt
  • Der Lesekopf wird durch 5 Präzisions-Kugellager im Gehäuse geführt
  • Das Anschlusskabel ist gegen äußere Störeinflüsse abgeschirmt
  • Das geschirmte Anschlusskabel ist durch eine Stahlflex-Ummantelung aus Edelstahl sicher geschützt
  • Standardmäßig werden die Glasmaßstäbe mit einem 9-poligen D-SUB9 - Anschlussstecker geliefert
  • Optional können die Glasmaßstäbe auch mit runden 7-poligen DIN-Steckern geliefert werden (nur TTL-Signal)

 


Steckerbelegung bei TTL - Signal


D-SUB 9 1 2 3 4 5 6 7 8 9
--- 0V --- Schirm --- A +5V B R
DIN 7 1 2 3 4 5 6 7    
0V --- A B +5V R Schirm    

 

Technische Daten Glasmassstab WKA-305


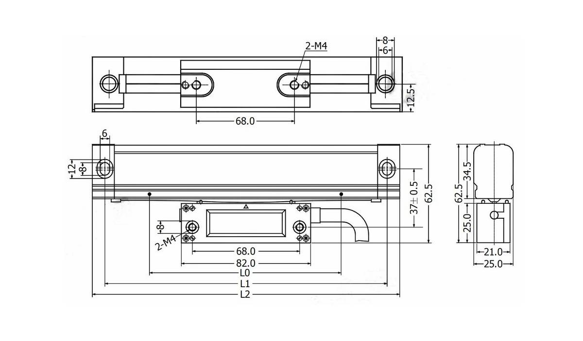
Leistenquerschnitt 25 x 34.5 mm
Lesekopfquerschnitt 21 x 25 mm
Gesamtlänge (L2) Nennmesslänge L0 + 106 mm
Lochabstand (L1) Nennmesslänge L0 + 90 mm
Auflösung 5 µm (0,005 mm)
Signal TTL
Länge Anschlusskabel 3 Meter (optional Kabelverlängerungen lieferbar)
Anschlussstecker D-SUB9 (optional mit 7-poligem DIN-Stecker erhältlich)
Referenzsignal Ja
Schutzart IP55

 


Nennmesslängen und Gesamtlängen Glasmassstab WKA-305


Nennmesslänge L0 (mm) 70 120 170 220 270 320 370 420 470 520
Gesamtlänge L2 (mm) 176 226 276 326 376 426 476 526 576 626
Nennmesslänge L0 (mm) 570 620 670 720 770 820 870 920 970 1020
Gesamtlänge L2 (mm) 676 726 776 826 876 926 976 1026 1076 1126


Lieferumfang


  • Glasmaßstab WGM WKA-305
  • Geschlossene Schutzabdeckung 
  • Standard-Montagewinkel und Halter
  • Diverses Befestigungsmaterial
  • Bedienungsanleitung

 


Sicherheit & Installation

Bitte beachten Sie die folgenden grundlegenden Sicherheits- und Installationshinweise für alle WESTEC‑Messsysteme, Positionsanzeigegeräte und Sensorbaugruppen. Die Einhaltung dieser Hinweise ist Voraussetzung für einen sicheren und zuverlässigen Betrieb.

Montage und Fachkenntnis
       
    • Die Installation darf ausschließlich durch fachkundige Personen erfolgen.
    • Alle Arbeiten sind gemäß den gültigen Normen, Vorschriften und Herstellerangaben durchzuführen.
    • Vor Beginn der Montage sind alle Komponenten auf sichtbare Beschädigungen zu prüfen.
Elektrische Anforderungen
       
    • Positionsanzeigegeräte: Versorgungsspannung 230 V~ 50 Hz.
    • Messwertgeber (Glasmassstäbe / Magnetband‑Encoder): Versorgungsspannung 5 V DC.
    • Nur geeignete, zugelassene Netzteile und Leitungen verwenden.
    • Leitungsführung so ausführen, dass Zug, Knickbelastung und Quetschung ausgeschlossen sind.
Umgang mit Messsystemen
       
    • Glasmaßstäbe vorsichtig handhaben – Glas ist ein präzises, aber empfindliches Bauteil.
    • Magnetband‑Encoder vor Spänen, starken Magnetfeldern und mechanischer Beschädigung schützen.
    • Sensoren und Maßstäbe exakt ausrichten und spannungsfrei montieren.
    • Messsysteme vor Stoß, Verkanten und unsachgemäßer Ausrichtung schützen.
Montagehinweise
       
    • Alle Befestigungen müssen dauerhaft form- und kraftschlüssig ausgeführt werden.
    • Die Montageflächen müssen sauber, eben und frei von Öl, Staub und Spänen sein.
    • Nach der Installation ist eine Funktionsprüfung durchzuführen.
Hinweis

Falsche Montage oder unsachgemäße Handhabung kann zu Messfehlern, Aussetzern oder Geräteschäden führen. Die Verantwortung für die fachgerechte Installation liegt beim Betreiber bzw. der ausführenden Fachkraft.

Kontaktinformation gem. Art. 19 EU GPSR

Postanschrift

Westec Tools
Guido Ritter
An Königskamp 24
33818 Leopoldshöhe
Deutschland


Elektronische Adresse

E-Mail: post@westec-tools.de
Website: https://westec-tools.de
...